服務熱線:15195518515在線客服:1464856260
傳真號碼:0517-86801009
郵箱號碼:1464856260@qq.com
網 址:http://www.fgzhijia.com
地 址:江蘇省金湖縣理士大道61號

顯示型投入式液位計
- 品*:JKM/凱銘儀表
- 型號:JKM-JY
- 測量范圍:0-100m
- 精度等級:0.25%F.S、0.5%
- 公稱通徑:DN10-DN100
- 適用介質:水,溶劑
- 工作壓力:常壓
- 工作溫度:-20℃~70℃
- 供電方式:24VDC
- 訂貨號:FORJXZIJV103
顯示型投入式液位計可適用于高溫、高壓、強腐蝕、易結晶、防堵塞,放冷凍及固體粉狀、粒狀物料。電容式液位計它可丈量強腐蝕型介質的液位,丈量高溫介質的液位,丈量密封容器的液位,與介質的粘度、密度、工作壓力無關。
顯示型投入式液位計從根本上處理了溫度、濕度、壓力、物質的導電性等因素對丈量進程的影響,因而具有*高的抗干擾性和可靠性??梢哉闪繌姼g性的液體,如酸、堿、鹽、污水等。

顯示型投入式液位計產品參數
測量介質:水或與接觸材質兼容的液體
整體材質:隔離膜片:316L不銹鋼(接觸) 探頭:304/316L不銹鋼(接觸)
密封件:丁腈橡膠(接觸) 線纜:聚氨酯等(接觸) 接線盒:壓鑄鋁(非接觸)
量程范圍:0.250米(根據用戶定制)
輸出信號:420mA、RS485(標準Modbus-RTU協議)
供電電壓:標準24VDC(1236V)
精度等級:0.2FS、0.5FS
工作條件:介質溫度:-4060、環境溫度:-4085
溫度補償:-1060攝氏度
抗震性能:10g(20…2000Hz)
過載能力:200滿量程
響應頻率:模擬信號輸出<500Hz,數值信號輸出<5Hz
穩定性能:±0.1 FS/年
溫度漂移:±0.01 FS/(溫度補償范圍內)
整體重量:探頭與接線盒1100g 線纜每米60g
防護等級:探頭IP68 接線盒IP65
*大功率:電流型0.02Us(W) 數字型0.02Us(W)
注意:Us為供電電壓
負載特性:電流型負載(Us-7.5)/0.02Ω
備注:Us為供電電壓

顯示型投入式液位計特點
1.采用高品質擴散硅傳感器,靈敏度高,響應速度快,準確反映流動或靜態液面的細微變化,測量準確度高。
2.備有防阻塞型設計,可實現對糊狀介質液位的測量。
3.測量范圍寬:可達0-1-150m
4.測量精確度:0.25和0.5級兩種
5.100%等分刻度、LED、LCD三種指示表頭,現場讀數十分方便。
6.4-20mA DC二線制信號傳送,抗干擾能力強,傳輸距離遠。
7.可提供普通投入式、直桿式、用戶式或用戶指定結構。
8.采用射頻電感法測量原理,結構緊湊,體積小,安裝維護簡單
9.多種信號輸出形式,方便不同系統配置。
10.聚四氟乙烯探*耐酸堿等腐蝕性液體及高溫液體。
11.準確度:0.2級 0.5級 1.0級
12.有效檢測范圍:0-0.2-20m
13.承壓范圍:負壓、常壓、高壓(32MPa以下)
14.工作溫度:-50-240℃
15.輸出信號:4-20mA二線制
16.現場顯示:100%等分刻度、LED、LCD
顯示型投入式液位計接線

顯示型投入式液位計選型

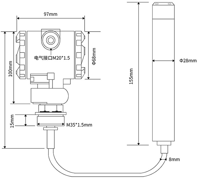
顯示型投入式液位計尺寸

顯示型投入式液位計的安裝方法





|