服務熱線:15195518515在線客服:1464856260
傳真號碼:0517-86801009
郵箱號碼:1464856260@qq.com
網 址:http://www.fgzhijia.com
地 址:江蘇省金湖縣理士大道61號

防腐投入式液位計
- 品*:JKM/凱銘儀表
- 型號:JKM-JY
- 測量范圍:0-100m
- 精度等級:0.25%F.S、0.5%
- 公稱通徑:DN10-DN100
- 適用介質:水,溶劑
- 工作壓力:常壓
- 工作溫度:-20℃~70℃
- 供電方式:24VDC
- 訂貨號:ASELGCWHS575
JKM-YB系列防腐投入式液位計采用聚四氟乙烯全防腐材質,探頭可以直接接觸被測介質,可耐強酸堿腐蝕,是化工廠測量液位的合適產品,本產品可提供4-20mA輸出或RS485輸出也可疊加Hart協(xié)議,量程0-100M之間任選。
防腐投入式液位計特點
1.采用高品質擴散硅傳感器,靈敏度高,響應速度快,準確反映流動或靜態(tài)液面的細微變化,測量準確度高。
2.備有防阻塞型設計,可實現對糊狀介質液位的測量。
3.測量范圍寬:可達0-1-150m
4.測量精確度:0.25和0.5級兩種
5.100%等分刻度、LED、LCD三種指示表頭,現場讀數十分方便。
6.4-20mA DC二線制信號傳送,抗干擾能力強,傳輸距離遠。
7.可提供普通投入式、直桿式、用戶式或用戶指定結構。
8.采用射頻電感法測量原理,結構緊湊,體積小,安裝維護簡單
9.多種信號輸出形式,方便不同系統(tǒng)配置。
10.聚四氟乙烯探*耐酸堿等腐蝕性液體及高溫液體。
11.準確度:0.2級 0.5級 1.0級
12.有效檢測范圍:0-0.2-20m
13.承壓范圍:負壓、常壓、高壓(32MPa以下)
14.工作溫度:-50-240℃
15.輸出信號:4-20mA二線制
16.現場顯示:100%等分刻度、LED、LCD
防腐投入式液位計主要技術指標
精度:0.25%F.S 0.5%F.S
測量范圍:0~1~150(m)
存貯溫度:-40℃~80℃
使用溫度:0℃~70℃
溫度影響:<0.02%/℃
濕度:小于等于95%RH
現場顯示:0~100%等分刻度 3 1/2 LED 3 1/2 LCD
負載能力:小于等于750Ω
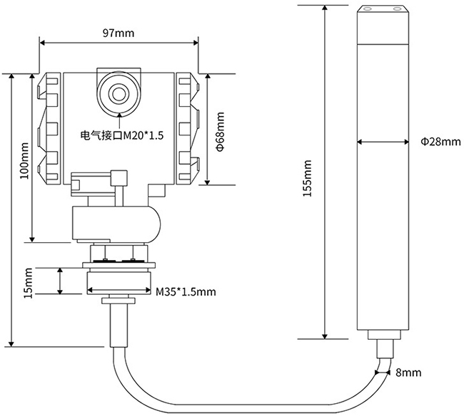
導氣電纜材料:φ8聚四氟乙烯 φ8號聚氯乙烯
過載能力:量程的2倍 量程的4倍
輸出:二線制4~20mA DC (LED現場顯示時三線制)
防腐投入式液位計選型方法
防腐投入式液位計接線

防腐投入式液位計尺寸

防腐投入式液位計的安裝方法





|